中华人民共和国建材行业标准
复合保温石膏板
Gypsum plasterboard thermal insulation composite panels
JC/T 2077-2011
2011-12-20发布 2012-07-01实施
中华人民共和国工业和信息化部 发布
前 言
本标准按照GB/T 1.1-2009给出的规则起草。。
本标准参考了EN 13950:2005《保温/隔声复合石膏板-定义、要求和试验方法》。本标准与EN 13950:2005的一致性程度为非等效。
本标准由中国建筑材料联合会提出。
本标准由全国轻质与装饰装修建筑材料标准化技术委员会(SAC/TC 195)归口。
本标准主要起草单位:中国新型建筑材料工业杭州设计研究院、圣戈班石膏建材(上海)有限公司、上海拉法基石膏建材有限公司、可耐福石膏板(芜湖)有限公司。
本标准主要起草人:翟跃忠、高炯、陈勇、魏喜迎、王健、刘悦、张新庆、孙健。
本标准委托中国新型建筑材料工业杭州设计研究院负责解释。
本标准为首次发布。
1 范围
本标准规定了复合保温石膏板的分类和标记、一般要求、技术要求、试验方法、检验规则以及标志、包装、运输和贮存。
本标准适用于以聚苯乙烯泡沫塑料与纸面石膏板用胶粘剂粘合而成的在建筑室内保温用的复合保温石膏板。采用其他工艺与其他高效保温材料与纸面石膏板复合而成的保温石膏板也可参照本标准执行。
2 规范性引用文件
下列文件对于本文件的应用是必不可少的。凡是注日期的引用文件,仅所注日期的版本适用于本文件。凡是不注日期的引用文件,其最新版本(包括所有的修改单)适用于本文件。
GB/T 8170 数值修约规则与极限数值的表示和判定
GB 8624-2006 建筑材料及制品燃烧性能分级
GB/T 9775 纸面石膏板
GB/T 10801.1 绝热用模塑聚苯乙烯泡沫塑料
GB/T 10801.2 绝热用挤塑聚苯乙烯泡沫塑料(XPS)
GB/T 13475 绝热 稳态传热性质的测定 标定和防护热箱法(ISO 8990:1994(E),IDT)
3 分类和标记
3.1 分类
3.1.1 复合保温石膏板按纸面石膏板的品种分为普通型(P)、耐水型(S)、耐火型(H)和耐水耐火型(SH)四种。
3.1.2 复合保温石膏板按保温材料的品种分为模塑聚苯乙烯泡沫塑料类(E)、挤塑聚苯乙烯泡沫塑料类(X)二种。
3.2 规格
3.2.1 板材的公称长度为1200mm、1500mm、1800mm、2100mm、2400mm、2700mm、3000mm、3300mm和3 600mm。
3.2.2 板材的公称宽度为600mm、900mm和1200mm。
3.2.3 板材的公称厚度和其他公称长度、公称宽度由供需双方商定。
3.3 标记
复合保温石膏板按产品名称、标准编号、纸面石膏板品种代号、纸面石膏板厚度、保温材料代号、长度、宽度及厚度的顺序标记。
示例:符合JC/T 2077-2011,长度为2400mm,宽度为1200mm,厚度为42mm,由厚度为12.0mm的普通纸面石膏板和模塑聚苯乙烯泡沫塑料粘合而成的复合保温石膏板,标记为:
复合保温石膏板 JC/T 2077-2011-P-12,0-E-2400×1200×42
4 一般要求
4.1 本标准包括的产品不应对人体、生物和环境造成有害的影响,涉及与使用有关的安全与环保问题应符合我国相关标准和规范的要求。
4.2 纸面石膏板应符合GB/T 9775的规定。
4.3 模塑聚苯乙烯泡沫塑料应符合GB/T 10801.1的规定。
4.4 挤塑聚苯乙烯泡沫塑料应符合GB/T 10801.2的规定。
5 技术要求
5.1 外观质量
5.1.1 纸面石膏板板面平整,不应有影响使用的波纹、沟槽、亏料、划伤、破损、污痕等缺陷。
5.1.2 保温材料表面平整、无夹杂物、颜色均匀,不应有影响使用的起泡、裂口、变形等缺陷。
5.2 尺寸和尺寸偏差
复合保温石膏板的尺寸和尺寸偏差应符合表1的规定。
5.3 物理性能
复合保温石膏板的物理性能应符合表2的规定。
6 试验方法
6.1 试验条件
标准试验条件为:温度23℃±2℃,相对湿度为50%±5%。
6 试验方法
6.1 试验条件
标准试验条件为:温度23℃±2℃,相对湿度为50%±5%。
6.2 试验器具
6.2.1 钢卷尺:量程5000mm,分度值1mm。
6.2.2 钢直尺:量程1000mm,分度值1mm。
6.2.3 游标卡尺:量程0mm~200mm,分度值0.02mm。
6.2.4 电子秤:感量1 g。
6.2.5 电热鼓风干燥箱:控温器灵敏度±1℃。
6.2.6 板材抗折试验机:最大量程5000N,精度1级。
6.2.7 电子天平:感量0.1g。
6.2.8 拉力试验机:最大量程5000N,精度1级。
6.2.9 热阻测定仪器设备:符合GB/T 13475的要求。
6.2.10 燃烧性能测试仪器设备:符合GB 8624-2006的要求。
6.3 试样与试件
6.3.1 以5张板材为一组试样,依次进行外观质量、尺寸和尺寸偏差检测后,在距板材四周不小于100mm处切取面密度、横向断裂荷载、层间粘结强度试验用的试件,每张板上切取试件的尺寸、方向及数量按表3的规定。
6.3.2 用于测定热阻的试件按照GB/T 13475的要求制备。
6.3.3 用于测试燃烧性能的试件按照GB 8624-2006的要求制备。
6.4 试验步骤
6.4.1 外观质量
在光照明亮的条件下,在距试样0.5m左右处,目测板材表面有无影响使用的缺陷,并记录缺陷情况。
6.4.2 尺寸和尺寸偏差
6.4.2.1 长度偏差
6.4.2.1.1 石膏板面长度偏差的测定:在距两板边50mm并平行于板边的二处和长度方向轴线处用钢卷尺进行长度测量,精确至1mm。取三个测量值与公称值的最大偏差值作为该试样的石膏板面长度偏差。
6.4.2.1.2 保温板面长度偏差的测定:在距两板边50mm并平行于板边的二处和在距长度方向轴线50mm并平行于该轴线的二处用钢卷尺进行长度测量,精确至1mm。取四个测量值与公称值的最大偏差值作为该试样的保温板面长度偏差。
6. 4.2.2 宽度偏差
在距两板端50mm并平行于板端的二处和宽度方向轴线处用钢卷尺进行宽度测量,精确至1mm,石膏板面和保温板面分别进行测量。取石膏板面和保温板面各三个测量值与公称值的最大偏差值分别作为该试样的石膏板面宽度偏差和保温板面宽度偏差。
6.4.2.3 厚度偏差
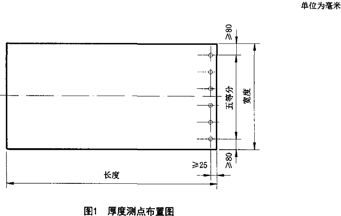
在板材的任一端头的宽度方向上等距离布置六个测点,且测点距板材的端头不小于25mm,距板材的棱边不小于80mm,见图1。
用游标卡尺进行测量,精确至0.1mm。取六个测量值与公称值的最大偏离值作为该试样的厚度偏差。
6.4.2.4 对角线差
用钢卷尺测量两个对角线的长度,精确至1mm,石膏板面和保温板面分别进行测量。取石膏板面和保温板面各两个对角线长度的差值分别作为该试样的石膏板面对角线差和保温板面对角线差。
6.4.2.5 边部错位
边部错位如图2所示。
长度方向边部错位的测定:在距两板边50mm并平行于板边的二处和距长度方向轴线50mm并平行于该轴线的二处,二个板端各四处用钢直尺分别进行边部错位的测量,精确至1mm。
宽度方向边部错位的测定:在距两板端50mm并平行于板端的二处,二个板边各二处用钢直尺分别进行边部错位的测量,精确至1mm。
6. 4.3 面密度
试件应在温度为40℃±2℃的电热鼓风干燥箱中烘干至恒重(24h的质量变化率小于0.5%),然后用电子秤称重,精确至1g。按公式(1)计算试件的面密度,精确至0.1kg/m2。结果取五个试件面密度的算术平均值。
6.4.4 横向断裂荷载
用已按6.4.3测定后的试件,随即进行横向断裂荷载的测定。把试件放置于板材抗折试验机的两根平行下支辊(中心距为350mm)上,石膏板面朝上。在跨距中央,通过加荷辊(平行于下支辊)对板材施加荷载,加荷速度为4.2N/s±0.8N/s,直至试件断裂,以施加的荷载最大值作为该试件的横向断裂荷载,精确至1N。结果取五个试件的横向断裂荷载的算术平均值。
6.4.5 层间粘结强度
试件应在温度为40℃±2℃的电热鼓风干燥箱中烘干至恒重(24h的质量变化率小于0.5%),然后用双组份环氧树脂均匀涂布于试件的两个表面,分别将钢质抗拉夹具(见图3)牢固粘结于试件的两个表面,待夹具与试件间不会滑动后,一起放入40℃±2℃的电热鼓风干燥箱中,干燥24h后取出,在标准试验条件下放置2h,然后进行拉伸试验。
6.4.6 热阻
热阻按照GB/T 13475的要求进行试验。
6. 4.7 燃烧性能
燃烧性能按照GB 8624-2006的要求进行试验。受火面为纸面石膏板。
7 检验规则
7.1 检验分类
按检验类型分为出厂检验和型式检验。
7. 1.1 出厂检验
产品出厂应进行出厂检验。出厂检验项目包括:外观质量、尺寸和尺寸偏差、面密度、横向断裂荷载、层间粘结强度。
7.1.2 型式检验
型式检验包括第5章要求的全部项目。在下列情况下进行型式检验:
a) 正常生产满一年时;
b) 停产半年以上恢复生产时;
c) 当原材料、产品设计、生产工艺有重大改变时;
d) 新产品试制、定型、鉴定时;
e) 出厂检验与上次型式检验有较大差异时。
7.2 组批与抽样
7.2.1 以每2000张同型号、同规格的产品为一批,不足2000张时也按一批计。
7.2.2 从每一批中,随机抽取5张复合保温石膏板作为一组试样,用于测定除热阻和燃烧性能外的其他试验项目。
7.2.3 从每一批中,按照GB/T 13475的要求抽取热阻试验用的样品。
7.2.4 从每一批中,按照GB 8624-2006的要求抽取燃烧性能试验用的样品。
7.3 判定规则
7.3.1 单项检验结果的判定按GB/T 8170中修约值比较法进行。
7.3.2 符合第5章全部要求,则判该批合格。
7.3.3 对于复合保温石膏板的外观质量、长度偏差、宽度偏差、厚度偏差、对角线差和边部错位,其中有一项不合格,即为不合格板。5张板材中不合格板多于1张时,则判该批不合格。
7. 3.4 对于复合保温石膏板的面密度、横向断裂荷载、层间粘结强度和燃烧性能,均应符合规定,否则判该批不合格。
7. 3.5 不符合7.3.3、7.3.4要求的批,可从该批中再抽取双倍数量的试样,对不合格项目进行复验,若仍有一组试样不合格,则判为该批不合格;如二组复验均合格,则判为该批合格。
8 标志、包装、运输和贮存
8.1 标志
出厂产品应在外包装上注明产品标记、生产厂名、地址、商标、生产日期或批号。
8.2 包装
8.2.1 应采用防潮包装,并附有防潮标志、小心轻放标志等。
8.2.2 外包装上应附有出厂检验合格证,注明包装规格和数量。
8.3 运输
产品在运输过程中应避免撞击破损,并防止板材受潮。
8.4 贮存
板材按不同品种规格在室内分类、水平堆放。堆放场地应坚实、平整、干燥。堆放时用垫条使板材和地面隔开,应防止板材在堆放时变形、受潮。
免责申明:本站所有资源均通过网络等公开合法渠道获取,该资料仅作为阅读交流使用,并无任何商业目的,其版权归作者或出版方所有,本站不对所涉及的版权问题负任何法律责任和任何赔偿,在本站咨询或购买后默认同意此免责申明;
法律责任:如版权方、出版方认为本站侵权,请立即通知本站删除,物品所标示的价格,是对本站搜集、整理、加工该资料以及本站所运营的费用支付的适当补偿,资料索取者(顾客)需尊重版权方的知识产权,切勿用于商业用途,信息;
『GB T26518-2011』高分子增强复合防水片材
中华人民共和国国家标准高分子增强复合防水片材ReinforcedandcompositepolymericsheetsforwaterproofGB/T26518-2011发布部门:中华人民共和国国家质量监督检验检疫...
2025-05-11
『CECS337:2013』建筑给水纤维增强无规共聚聚丙烯复合管道工程技术规程
中国工程建设协会标准建筑给水纤维增强无规共聚聚丙烯复合管道工程技术规程Technicalspecificationforfiberreinforcedpolypropylenerandomcopolymercompositepip...
2025-05-10
聚氨酯硬泡复合保温板应用技术规程 CECS 351:2015
中国工程建设协会标准聚氨酯硬泡复合保温板应用技术规程TechnicalspecificationforapplicationofpolyurethanerigidfoamcompositeinsulationpanelCECS351:2015主编...
2025-05-10
『CECS242:2016』水泥复合砂浆钢筋网加固混凝土结构技术规程
中国工程建设协会标准水泥复合砂浆钢筋网加固混凝土结构技术规程TechnicalspecificationforstrengtheningconcretestructureswithgridrebarandmortarCECS242:2016...
2025-05-05
『JGJ376-2015』建筑外墙外保温系统修缮标准_1
中华人民共和国行业标准建筑外墙外保温系统修缮标准StandardforbuildingexternalthermalinsulationsystemrepairJGJ376-2015批准部门:中华人民共和国住房和城乡建...
2025-05-02
『CECS205:2015』内衬(覆)不锈钢复合钢管管道工程技术规程
中国工程建设协会标准内衬(覆)不锈钢复合钢管管道工程技术规程TechnicalspecificationforstainlesssteellinedorcladedcompositesteelpipelineengineeringCECS205...
2025-04-30