关于印发《2025年度黄石市房屋安全鉴定机构名录》的通知
2025-11-12 09:55:55
![黄住发[2025]44号 关于印发《2025年度黄石市房屋安全鉴定机构名录》的通知_00.jpg](http://zjj.huangshi.gov.cn/index2019/zwfw/bsdt/bsgg_8000/202511/W020251110528060866615.jpg)
![黄住发[2025]44号 关于印发《2025年度黄石市房屋安全鉴定机构名录》的通知_01.jpg](http://zjj.huangshi.gov.cn/index2019/zwfw/bsdt/bsgg_8000/202511/W020251110528060894106.jpg)
![黄住发[2025]44号 关于印发《2025年度黄石市房屋安全鉴定机构名录》的通知_02.jpg](http://zjj.huangshi.gov.cn/index2019/zwfw/bsdt/bsgg_8000/202511/W020251110528060903822.jpg)
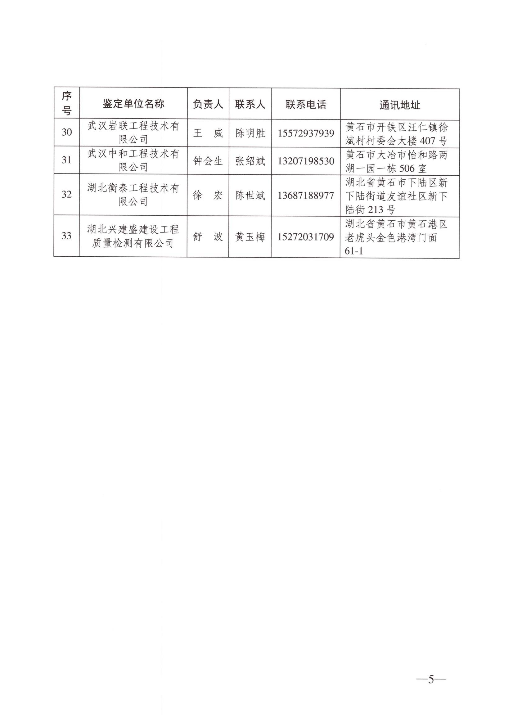
![黄住发[2025]44号 关于印发《2025年度黄石市房屋安全鉴定机构名录》的通知_03.jpg](http://zjj.huangshi.gov.cn/index2019/zwfw/bsdt/bsgg_8000/202511/W020251110528060931722.jpg)
![黄住发[2025]44号 关于印发《2025年度黄石市房屋安全鉴定机构名录》的通知_04.jpg](http://zjj.huangshi.gov.cn/index2019/zwfw/bsdt/bsgg_8000/202511/W020251110528060953106.jpg)
![黄住发[2025]44号 关于印发《2025年度黄石市房屋安全鉴定机构名录》的通知_05.jpg](http://zjj.huangshi.gov.cn/index2019/zwfw/bsdt/bsgg_8000/202511/W020251110528060971787.jpg)
原文地址:http://zjj.huangshi.gov.cn/index2019/zwfw/bsdt/bsgg_8000/202511/t20251110_1278554.html
![黄住发[2025]44号 关于印发《2025年度黄石市房屋安全鉴定机构名录》的通知_00.jpg](http://zjj.huangshi.gov.cn/index2019/zwfw/bsdt/bsgg_8000/202511/W020251110528060866615.jpg)
![黄住发[2025]44号 关于印发《2025年度黄石市房屋安全鉴定机构名录》的通知_01.jpg](http://zjj.huangshi.gov.cn/index2019/zwfw/bsdt/bsgg_8000/202511/W020251110528060894106.jpg)
![黄住发[2025]44号 关于印发《2025年度黄石市房屋安全鉴定机构名录》的通知_02.jpg](http://zjj.huangshi.gov.cn/index2019/zwfw/bsdt/bsgg_8000/202511/W020251110528060903822.jpg)
![黄住发[2025]44号 关于印发《2025年度黄石市房屋安全鉴定机构名录》的通知_03.jpg](http://zjj.huangshi.gov.cn/index2019/zwfw/bsdt/bsgg_8000/202511/W020251110528060931722.jpg)
![黄住发[2025]44号 关于印发《2025年度黄石市房屋安全鉴定机构名录》的通知_04.jpg](http://zjj.huangshi.gov.cn/index2019/zwfw/bsdt/bsgg_8000/202511/W020251110528060953106.jpg)
![黄住发[2025]44号 关于印发《2025年度黄石市房屋安全鉴定机构名录》的通知_05.jpg](http://zjj.huangshi.gov.cn/index2019/zwfw/bsdt/bsgg_8000/202511/W020251110528060971787.jpg)
原文地址:http://zjj.huangshi.gov.cn/index2019/zwfw/bsdt/bsgg_8000/202511/t20251110_1278554.html